Pièces de Rechange VIGNES ETROITES
ZOOM = CTRL + ROULETTE
DOCUMENTS
TECHNIQUES
TRAVAIL DU SOL
ROGNEUSES
PRETAILLEUSE
INTERCEP
MONTAGES TRACTEURS ENJAMBEURS
ROGNEUSES SERIE 2000
1 RANG COMPLET MODELE 2001-2006
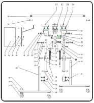
PDF:9901.30
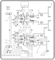
PDF:9901.32
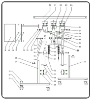
PDF:9901.38
PDF:9901.7B
BRAS PORTE PANNEAUX R2565P
BRAS PORTE PANNEAUX R2565E
ELEMENT DE COUPE COMPLET R2565E - R2565P
MONTAGES
RESSORT SECURITE
2 RANGS COMPLETS MODELE 2001-2006
PDF:9901.34
PDF:9901.39
PDF:9901.22
PDF:9901.42
CHASSIS R2565E - R2565ET
ELEMENT DE COUPE COMPLET R2565ET
REGLAGE HAUTEUR PANNEAU HORIZONTAL R2565ET-E-P
MISE A L'HORIZONTALE HYDRAULIQUE R2565E-ET
Création du site avec le logiciel gratuit openElement